Our Story
About Us
Net Works Exports Private Limited is an end-to-end solution provider for industrial plants and processes which includes design, engineering, supply and supervision for erection and commissioning of the plant/process. We also undertake refurbishment/re-engineering of existing plants & processes to enhance efficiency or improve in quality. In addition, we undertake everything to do with water, right from rigging borewells to treatment of the water, distribution system and also waste water treatment.
Projects
Our Projects
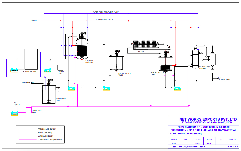
Sodium Silicate Plant (using Rice Husk Ash as major raw material)
Clientele
Our Clientele
Western Silica Industries Ltd.
Bangladesh
Charu Ceramic Industries Ltd.
Bangladesh
Rashid Oil Mills Limited
Bangladesh
AM Bran Oil Co. Limited
Bangladesh
Techno Drugs
Bangladesh
Rajshahi Chemicals Ltd.
Bangladesh
Drinking Water & Sanitation Dept., Govt. of Tripura
India
Blue Ocean Biotech Ltd.
India
Myanma Petrochemical Enterprise -Fertilizers & Oil Refineries
Myanmar
We aim higher, so that you can achieve better, each time.