Edible Vegetable Oil Plant
Edible (i.e., cooking) oil is an essential item for families worldwide and vegetable oils constitute the major share of it. A good quality, safe and health beneficial edible oil is necessary for a healthy food habit. We focus on projects producing Rice Bran Oil, Soybean Oil & Sunflower oil Plants & Projects.
Typically, an edible Oil Project has two major sections, namely Solvent Extraction Section & Refining Section. In Solvent Extraction, Crude Edible Oil is separated from the oil bearing seed/material producing de-oiled cake at the same time. In Refining Section, the Crude Edible Oil is refined to separate the gums, excess color, waxes, unwanted odour and free fatty acids to produce healthy, refined Edible Oil.
There are several subsections under Solvent Extraction & Refining Sections. The major ones are
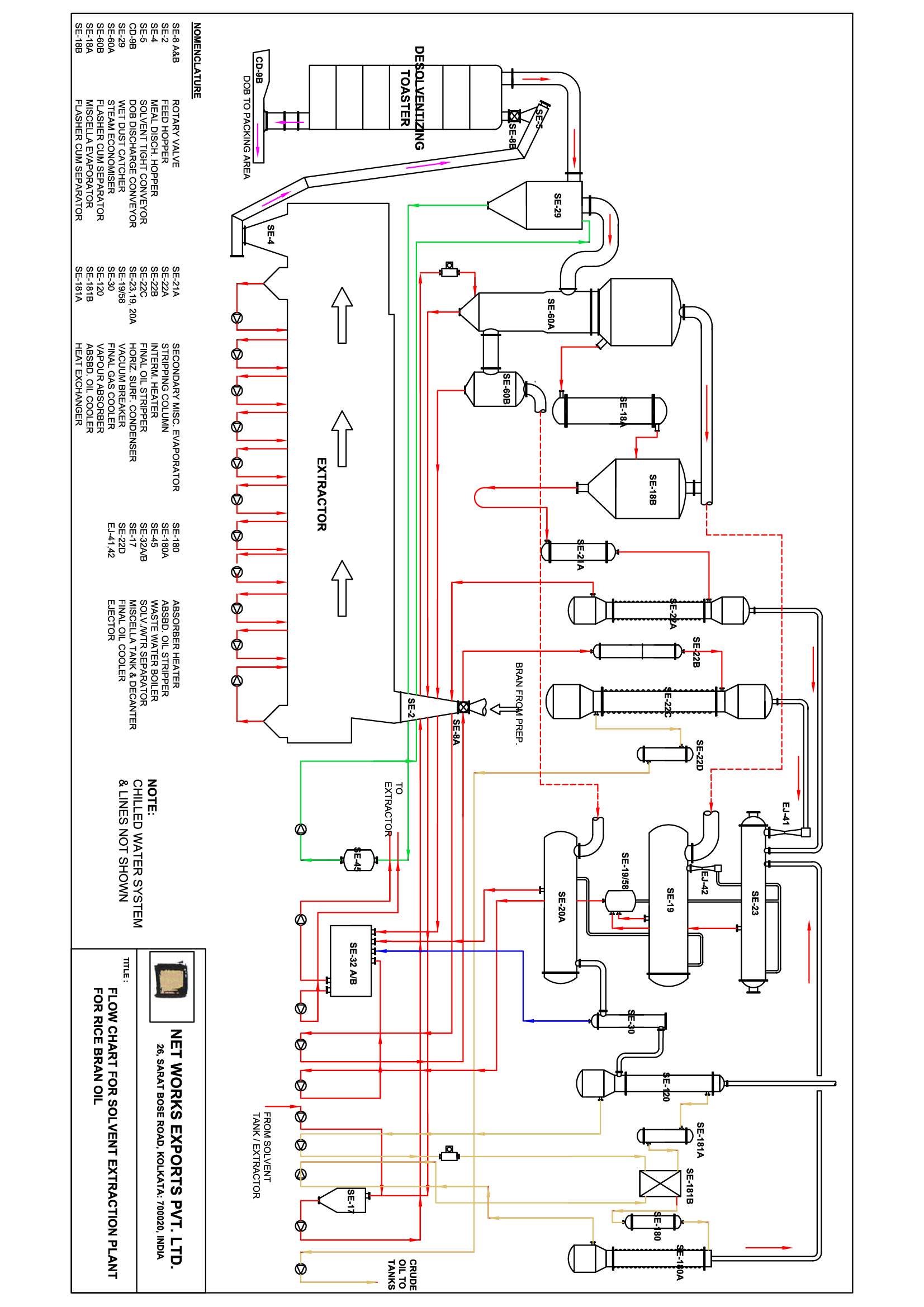
Solvent Extraction Section
- Feed preparation Section
- Solvent Extraction Section including solvent recovery section
- De-oiled cake drying & handling section
Refinery Section
- Neutralizing Section
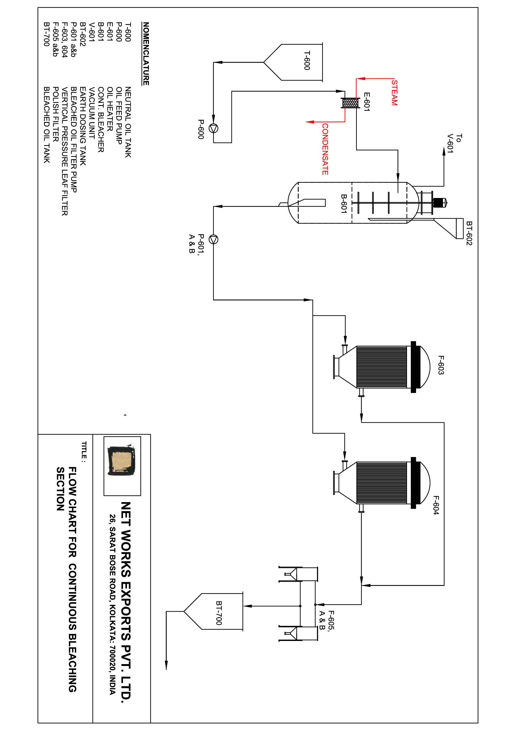
- Bleaching Section
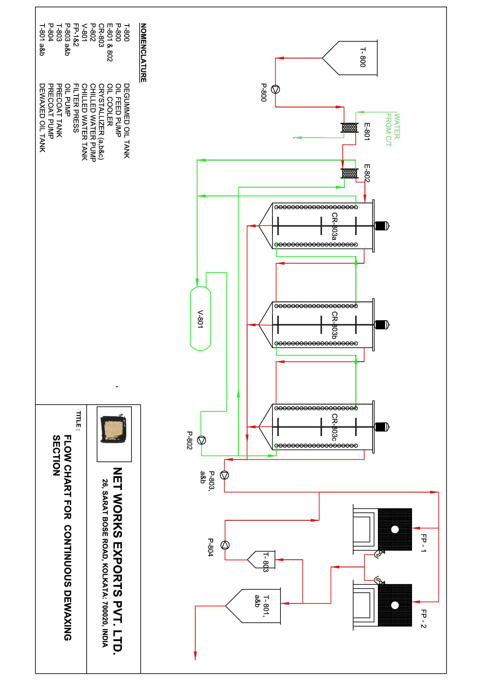
- Dewaxing/Winterizing Section
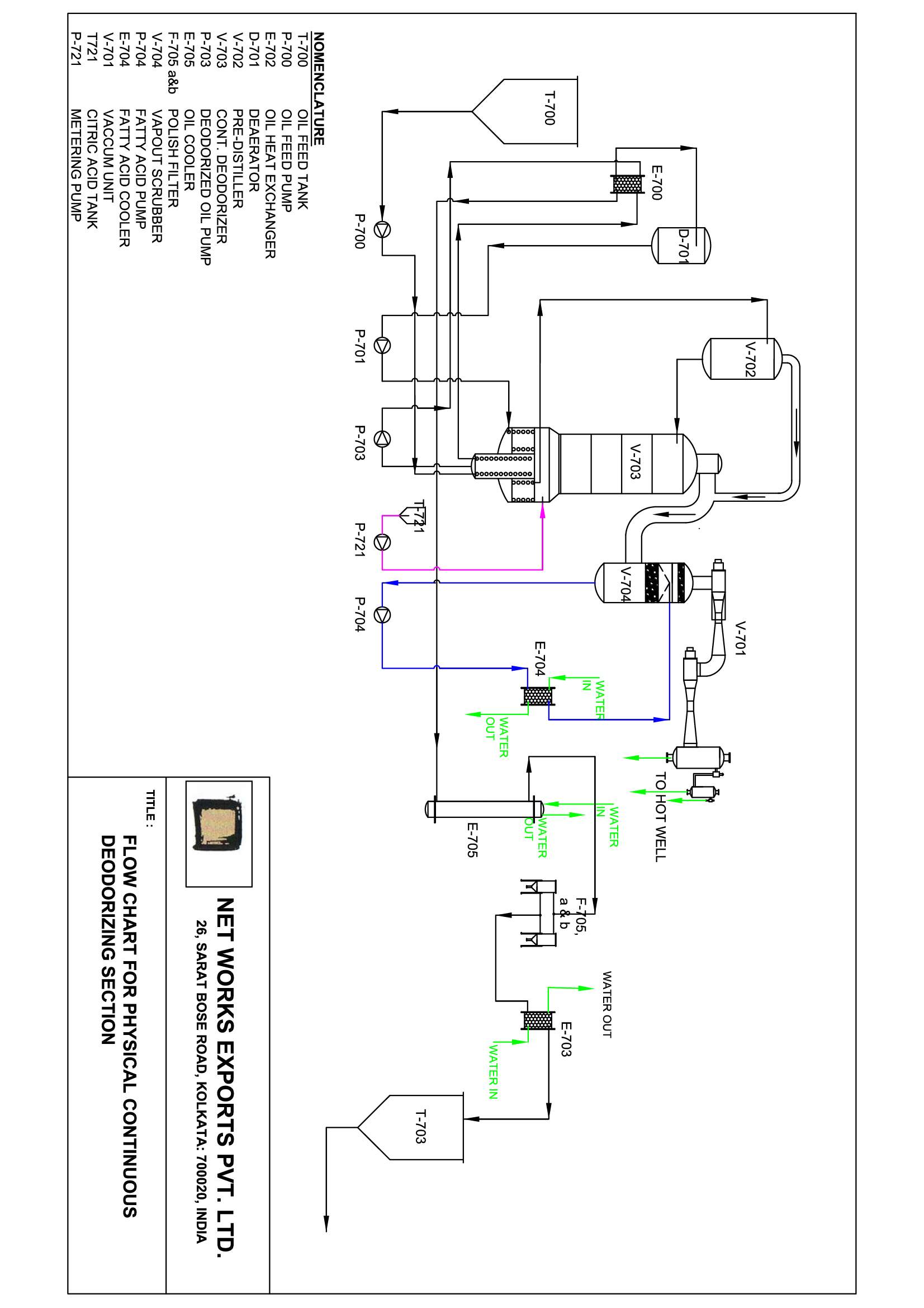
- Deodorizing & Fatty Acid separating Section
Other Sections
- Water Cooling Section
- Steam & Energy
- Tankages
- Effluent Treatment etc.
Gallery
Refinery
Refinery
Refinery
Refinery
Refinery
Refinery
Refinery
Refinery
Refinery
Refinery
Refinery
Refinery
Refinery
Sovent Extraction
Sovent Extraction
Sovent Extraction
Sovent Extraction
Sovent Extraction
Sovent Extraction
Glimpse of the basic process ( Flow Chart)
Project Videos
We aim higher, so that you can achieve better, each time.